電源電路圖看似復雜,很多新手在入門階段就被電路圖難住了,閱讀電路圖成為了非常困難的一件事。但實際上只要找到規律,閱讀電路圖并不是一件困難的事情。電路圖由不同的電路結構組成,只要掌握了這些電路就能輕易地對電路進行解讀,這堂課德立華就教大家認識整流電路進行講解。
整流電路
整流電路是利用半導體二極管的單向導電性能把交流電變成單向脈動直流電的電路。

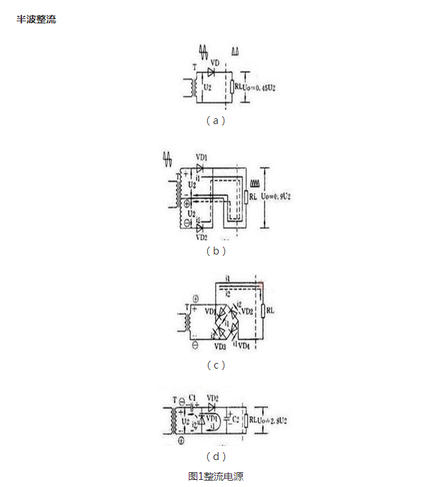
半波整流電路只需一個二極管,見圖1(a)。在交流電正半周時VD導通,負半周時VD截止,負載R上得到的是脈動的直流電。
全波整流
全波整流要用兩個二極管,而且要求變壓器有帶中心抽頭的兩個圈數相同的次級線圈,見圖1(b)。負載RL上得到的是脈動的全波整流電流,輸出電壓比半波整流電路高。
全波橋式整流
用4個二極管組成的橋式整流電路可以使用只有單個次級線圈的變壓器,見圖1(c)。負載上的電流波形和輸出電壓值與全波整流電路相同。
倍壓整流
用多個二極管和電容器可以獲得較高的直流電壓。圖1(d)是一個二倍壓整流電路。當U2為負半周時VD1導通,C1被充電,C1上最高電壓可接近1.4U2;當U2正半周時VD2導通,C1上的電壓和U2疊加在一起對C2充電,使C2上電壓接近2.8U2,是C1上電壓的2倍,所以叫倍壓整流電路。
通過上面的介紹可以看到電路圖整流電路的種類較多,每種類型都有自己的特點。只要掌握了這些特點并加以區分,就能非常快度的對電路圖中的整流電路進行識別,從而方便了對整體電路的理解。 這堂課就先講到這來,想了解更多的移動電源板知識請登錄:www.88sport.cn
主站蜘蛛池模板:
新津县|
图木舒克市|
广安市|
翁牛特旗|
五指山市|
山东省|
视频|
玉林市|
青龙|
馆陶县|
乌拉特前旗|
云龙县|
顺平县|
安西县|
手游|
满城县|
竹北市|
永和县|
河北区|
惠东县|
乌海市|
大悟县|
无极县|
胶南市|
理塘县|
合川市|
晋城|
江孜县|
屏山县|
芦山县|
铜梁县|
衡山县|
广东省|
图们市|
工布江达县|
德阳市|
襄城县|
湖南省|
清原|
成武县|
英吉沙县|